- A High and Low Voltage rated up to 35KV
- Designed for use with existing tooling
- Standard or Long barrel design
- One-piece Wesmless high-conductivity copper
- Uniform tin-plating to minimize corrosion
- Conductivity : above 96%
- Chemical purty : 99.9% in Cu Basis
- All standard except notifications are based on KSD 5301
1. 정의
동관 파이프를 규격에 맞게 절단하고 접속 단자부분을 프레스로 압축 제작하는 전기 접속 용품을 말한다.
2. 용도
전력용 기기 내부 및 기기 상호 배선에 사용하는 연동 연선 또는 단선의 전선을 접속
3. 특징
전기, 열의 전도성이 우수하고 드로잉성, 내식성, 내후성이 좋다.
5. 사용용도
케이블 접속 단말처리
1-HOLE(해상용)
| CATALOG No. | Standard Wire size(㎟) | Dimension (mm) | Hole size(mm) | ||||||
|---|---|---|---|---|---|---|---|---|---|
| T | D | L | B | W | P | A | |||
| MRTL-16 | 16 | 2.4 | 5.6 | 40 | 19 | 11 | 18 | 9 | 6.4 |
| MRTL-25 | 25 | 2.4 | 7.1 | 45 | 20 | 13.5 | 21 | 10.5 | 8.6 |
| MRTL-35 | 35 | 2.6 | 8.4 | 51 | 21 | 16 | 25 | 11 | 11 |
| MRTL-50 | 50 | 2.6 | 9.4 | 52 | 21 | 17.5 | 25 | 12 | 11 |
| MRTL-70 | 70 | 3 | 11.2 | 54 | 23 | 20.5 | 25 | 12.5 | 11 |
| MRTL-95 | 95 | 3.5 | 13.37 | 61 | 25 | 24.5 | 28 | 14 | 13 |
| MRTL-120 | 120 | 3.8 | 15.3 | 63 | 27 | 27.5 | 28 | 14 | 13 |
| MRTL-120N | 120 | 4.4 | 15.3 | 70 | 27.5 | 28.5 | 32.5 | 14 | 13 |
| MRTL-150 | 150 | 4 | 16.6 | 70 | 30 | 30 | 30 | 14 | 13 |
| MRTL-185 | 185 | 5 | 18.5 | 78 | 35 | 35 | 34 | 17 | 13 |
| MRTL-240 | 240 | 5 | 21 | 84 | 40 | 39 | 34 | 17 | 13 |
| MRTL-300 | 300 | 6 | 23.5 | 95 | 45 | 47.5 | 37 | 17 | 13 |
1-HOLE
| CATALOG No. | Standard Wire size(㎟) | Dimension (mm) | Hole size(mm) | ||||||
|---|---|---|---|---|---|---|---|---|---|
| T | D | L | B | W | P | A | |||
| MRTL-116 | 16 | 2 | 5.4 | 30.5 | 13.5 | 12 | 14 | 6.5 | 6.4 |
| MRTL-125 | 25 | 2.3 | 6.7 | 42 | 20 | 13 | 17 | 9 | 8.4 |
| MRTL-135 | 35 | 2.5 | 8.1 | 46 | 20 | 15.5 | 19.5 | 10 | 10.4 |
| MRTL-150 | 50 | 2.5 | 9.5 | 48 | 20 | 17.5 | 21 | 11 | 10.4 |
| MRTL-170 | 70 | 3.3 | 11.3 | 55 | 23 | 21 | 25 | 12 | 13 |
| MRTL-195 | 95 | 3.5 | 13.5 | 61 | 25 | 24.5 | 27 | 14 | 13 |
| MRTL-1120 | 120 | 3.8 | 15.2 | 64 | 28 | 27.5 | 28 | 14 | 13 |
| MRTL-1150 | 150 | 4 | 17 | 75 | 32 | 30.5 | 32 | 14 | 13 |
| MRTL-1185 | 185 | 4.5 | 19 | 82 | 36 | 34 | 33 | 17 | 13 |
| MRTL-1240 | 240 | 6 | 22 | 87 | 38 | 40 | 36 | 17 | 13 |
| MRTL-1300 | 300 | 6.5 | 24 | 100 | 43 | 44 | 43 | 17 | 13 |
| MRTL-1400 | 400 | 8 | 26 | 109 | 50 | 48 | 44 | 21 | 13 |
| MRTL-1500 | 500 | 9 | 31 | 135 | 60 | 57 | 61 | 22 | 13 |
| MRTL-1630 | 630 | 11 | 34 | 140 | 60 | 64 | 62 | 22 | 13 |
2-HOLE

| CATALOG No. | Standard Wire size(㎟) | Dimension (mm) | Hole size(mm) | |||||||
|---|---|---|---|---|---|---|---|---|---|---|
| T | D | L | B | W | P | C | A | |||
| MRTL-216 | 16 | 2 | 5.4 | 90.5 | 28 | 10.5 | 59.5 | 45 | 7.2 | 6.4 |
| MRTL-225 | 25 | 2.3 | 6.7 | 95 | 27 | 13 | 63 | 45 | 9 | 8.4 |
| MRTL-235 | 35 | 2.5 | 8.1 | 99 | 30 | 15.5 | 63 | 45 | 9 | 8.4 |
| MRTL-250 | 50 | 2.5 | 9.5 | 109 | 30 | 17.5 | 72.5 | 45 | 12 | 10.4 |
| MRTL-270 | 70 | 3.3 | 11.3 | 115 | 35 | 21 | 73 | 45 | 15 | 13 |
| MRTL-295 | 95 | 3.5 | 13.5 | 124 | 38 | 24.5 | 77 | 45 | 15 | 13 |
| MRTL-2120 | 120 | 3.8 | 15.2 | 130 | 44 | 27.5 | 77 | 45 | 15 | 13 |
| MRTL-2150 | 150 | 4 | 17 | 135 | 47 | 30.5 | 77 | 45 | 15 | 13 |
| MRTL-2185 | 185 | 4.5 | 19 | 141 | 51 | 34 | 77 | 45 | 16 | 13 |
| MRTL-2240 | 240 | 6 | 22 | 150 | 56 | 40 | 81 | 45 | 16 | 13 |
| MRTL-2300 | 300 | 6.5 | 24 | 164 | 66 | 44 | 84 | 45 | 16 | 13 |
| MRTL-2400 | 400 | 8 | 26 | 174 | 72 | 48 | 88 | 45 | 19 | 13 |
| MRTL-2500 | 500 | 9 | 31 | 180 | 73 | 57 | 90 | 45 | 19 | 13 |
| MRTL-2630 | 630 | 11 | 34 | 200 | 82 | 64 | 90 | 45 | 19 | 13 |
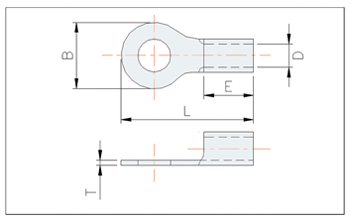
RING TYPE

| CATALOG No. | No.Wire Range | Stud size(mm) | Dimension (mm) | |||||
|---|---|---|---|---|---|---|---|---|
| AWG | Stranded(㎟) | B | L | E | D | T | ||
| MRTL 25-6 | 3 – 4 | 25 | 6 | 16.5 | 34 | 11.5 | 7.7 | 1.7 |
| MRTL 25-8 | 8 | |||||||
| MRTL 25-10 | 10 | 17.5 | 39 | |||||
| MRTL 25-12 | 12 | 22 | 43 | |||||
| MRTL 25-14 | 14 | 30 | 52 | |||||
| MRTL 25-16 | 16 | |||||||
| MRTL 25-20 | 20 | |||||||
| MRTL 35-6 | 2 | 35 | 6 | 22 | 42.5 | 14 | 9.4 | 1.8 |
| MRTL 35-8 | 8 | |||||||
| MRTL 35-10 | 10 | |||||||
| MRTL 35-12 | 12 | |||||||
| MRTL 35-14 | 14 | 30 | 52.5 | |||||
| MRTL 35-16 | 16 | |||||||
| MRTL 35-20 | 20 | |||||||
| MRTL 50-6 | 1-1/10 | 50 | 6 | 20 | 49.5 | 18 | 11.4 | 1.8 |
| MRTL 50-8 | 8 | 22 | ||||||
| MRTL 50-10 | 10 | |||||||
| MRTL 50-12 | 12 | 32 | 57 | |||||
| MRTL 50-14 | 14 | |||||||
| MRTL 50-16 | 16 | |||||||
| MRTL 50-20 | 20 | |||||||
| MRTL 70-8 | 2/0 | 70 | 8.4 | 24 | 50.5 | 18.5 | 13.3 | 2 |
| MRTL 70-10 | 10.5 | |||||||
| MRTL 70-12 | 12 | |||||||
| MRTL 70-14 | 14 | 32 | 60.5 | |||||
| MRTL 70-16 | 16 | |||||||
| MRTL 70-20 | 20 | |||||||
| MRTL 95-8 | 3/0 | 95 | 8.4 | 27 | 54 | 19 | 14.5 | 2.3 |
| MRTL 95-10 | 10.5 | |||||||
| MRTL 95-12 | 13 | |||||||
| MRTL 95-14 | 15 | 32 | 68 | |||||
| MRTL 95-16 | 17 | |||||||
| MRTL 95-20 | 20 | |||||||
| MRTL 120-8 | 250 Komil |
120 | 8.4 | 32.5 | 61.5 | 22 | 18 | 3.2 |
| MRTL 120-10 | 10.5 | |||||||
| MRTL 120-12 | 13 | |||||||
| MRTL 120-14 | 15 | |||||||
| MRTL 120-16 | 17 | |||||||
| MRTL 120-20 | 21 | |||||||
